首页
关于我们
新闻中心
产品中心
案例中心
型号汇总
电能常识
联系我们
低压系列
搜索:
二级分类:
高压系列
低压系列
电力仪表
其他系列
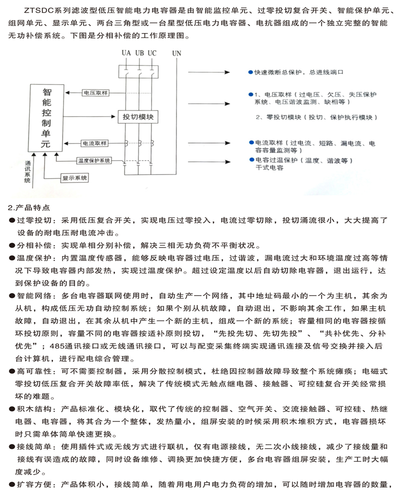
ZTSDC系列低压智能电力电容器
返回列表